工业控制阀系列

国标升降式止回阀
技术规范:
产品型号:H41W/H
公称通径:DN50~400mm
压力范围:PN10~160MPa
工作温度:-196℃~+560℃
主体材质:碳钢、不锈钢、合金钢
设计制造:GB12236
结构长度:GB12221
连接法兰:JB/T79-1994
试验与检验:JB/T9092-1999

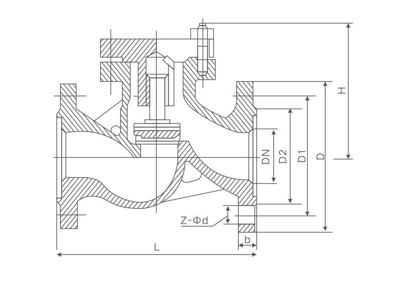
主要外形连接尺寸
|
公称压力 PN |
公称通径 DN | 主要连接尺寸 |
外形 尺寸 | ||||||||
| L | D | D 1 | D 2 | D 6 | b | f | f 1 | Z-φd | H | ||
| 1.6MPa | 40 | 200 | 145 | 110 | 85 | - | 16 | 2 | - | 4-18 | 95 |
| 50 | 230 | 160 | 125 | 100 | - | 16 | 2 | - | 4-18 | 105 | |
| 65 | 290 | 180 | 140 | 120 | - | 18 | 2 | - | 4-18 | 120 | |
| 80 | 310 | 195 | 165 | 135 | - | 20 | 3 | - | 8-18 | 130 | |
| 100 | 350 | 215 | 180 | 155 | - | 20 | 3 | - | 8-18 | 140 | |
| 125 | 400 | 245 | 210 | 185 | - | 22 | 3 | - | 8-12 | 155 | |
| 150 | 480 | 280 | 240 | 210 | - | 24 | 3 | - | 8-23 | 180 | |
| 200 | 600 | 335 | 295 | 265 | - | 26 | 3 | - | 12-23 | 215 | |