
国标截止阀
技术规范:
产品型号:J41H/Y
公称通径:DN10-DN300mm
公称压力:PN1.6MPa-32MPa
适用介质:水、油、气
适用温度:-20℃-425℃
阀体材质:碳钢、铸钢
制造标准:GB/T 12235
结构长度:GB/T 12221
连接标准:JB/T 74-90、GB/T 9113

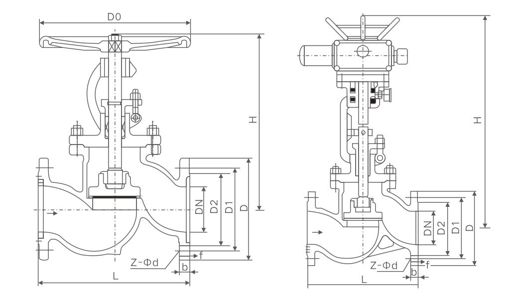
主要外形和连接尺寸
公称通径 | 主要外型尺寸和连接尺寸 | ||||||||
L | D | D1 | D2 | b | f | Z-d | H | D0 | |
J41H/Y-16C J41W-16P J41W-16R J41Y-16I | |||||||||
10 | 130 | 90 | 60 | 40 | 14 | 2 | 4-14 | 198 | 120 |
15 | 130 | 95 | 65 | 45 | 16 | 2 | 4-14 | 218 | 120 |
20 | 150 | 105 | 75 | 55 | 16 | 2 | 4-14 | 258 | 140 |
25 | 160 | 115 | 85 | 65 | 16 | 2 | 4-14 | 275 | 160 |
32 | 180 | 135 | 100 | 78 | 18 | 2 | 4-18 | 280 | 180 |
40 | 200 | 145 | 110 | 85 | 18 | 3 | 4-18 | 330 | 200 |
50 | 230 | 160 | 125 | 100 | 18 | 3 | 4-18 | 350 | 240 |
65 | 290 | 180 | 145 | 120 | 18 | 3 | 4-18 | 355 | 280 |
80 | 310 | 195 | 160 | 135 | 20 | 3 | 8-18 | 400 | 280 |
100 | 350 | 215 | 180 | 155 | 22 | 3 | 8-18 | 415 | 320 |
125 | 400 | 245 | 210 | 185 | 24 | 3 | 8-23 | 460 | 360 |
150 | 480 | 280 | 240 | 210 | 24 | 3 | 12-23 | 510 | 400 |
200 | 600 | 335 | 295 | 265 | 26 | 3 | 12-23 | 710 | 400 |
250 | 650 | 405 | 355 | 320 | 30 | 3 | 12-23 | 786 | 450 |
300 | 750 | 460 | 410 | 375 | 30 | 3 | 12-23 | 925 | 500 |
公称通径 | 主要外型尺寸和连接尺寸 | ||||||||||
L | D | D1 | D2 | b | f | Z-d | H手 | H电 | D | 电动装置 | |
J41H/Y-25 J41W-25P J41W-25R J41Y-25I J941H/Y-25 J941W-25P J941W-25R J941W-25I | |||||||||||
10 | 130 | 90 | 60 | 40 | 16 | 2 | 4-14 | 198 | - | 120 | - |
15 | 130 | 95 | 65 | 45 | 16 | 2 | 4-14 | 218 | - | 120 | - |
20 | 150 | 105 | 75 | 55 | 16 | 2 | 4-14 | 258 | - | 140 | - |
25 | 160 | 115 | 85 | 65 | 16 | 2 | 4-14 | 275 | - | 160 | - |
32 | 180 | 135 | 100 | 78 | 18 | 2 | 4-18 | 280 | - | 180 | - |
40 | 200 | 145 | 110 | 85 | 18 | 3 | 4-18 | 330 | - | 200 | - |
50 | 230 | 160 | 125 | 100 | 20 | 3 | 4-18 | 350 | 645 | 240 | DZW10 |
65 | 290 | 180 | 145 | 120 | 22 | 3 | 8-18 | 400 | 690 | 280 | DZW10 |
80 | 310 | 195 | 160 | 135 | 22 | 3 | 8-18 | 355 | 715 | 280 | DZW15 |
100 | 350 | 230 | 190 | 160 | 24 | 3 | 8-23 | 415 | 770 | 320 | DZW20 |
125 | 400 | 270 | 220 | 188 | 28 | 3 | 8-25 | 460 | 780 | 360 | DZW30 |
150 | 480 | 300 | 250 | 218 | 30 | 3 | 8-25 | 510 | 875 | 400 | DZW45 |
200 | 600 | 360 | 310 | 278 | 34 | 3 | 12-25 | 710 | 967 | 400 | DZW60 |
250 | 650 | 425 | 370 | 332 | 36 | 3 | 12-30 | 786 | - | 450 | - |
300 | 750 | 485 | 430 | 390 | 40 | 4 | 12-30 | 925 | - | 500 | - |
公称通径 | 主要外型尺寸和连接尺寸 | ||||||||||||
L | D | D1 | D2 | D6 | b | f | f2 | Z-d | H手 | H电 | D | 电动装置 | |
J41H/Y-40 J41W-40P J41W-40R J41Y-40I J941H/Y-40 J941W-40P J941W-40R J941W-40I | |||||||||||||
10 | 130 | 90 | 60 | 40 | 35 | 16 | 2 | 2 | 4-14 | 198 | - | 120 | - |
15 | 130 | 95 | 65 | 45 | 40 | 16 | 2 | 4 | 4-14 | 233 | - | 120 | - |
20 | 150 | 105 | 75 | 55 | 51 | 16 | 2 | 4 | 4-14 | 275 | - | 140 | - |
25 | 160 | 115 | 85 | 65 | 58 | 16 | 2 | 4 | 4-14 | 285 | - | 160 | - |
32 | 180 | 135 | 100 | 78 | 66 | 18 | 2 | 4 | 4-18 | 302 | - | 180 | - |
40 | 200 | 145 | 110 | 85 | 76 | 18 | 3 | 4 | 4-18 | 355 | - | 200 | - |
50 | 230 | 160 | 125 | 100 | 88 | 20 | 3 | 4 | 4-18 | 373 | 645 | 240 | DZW10 |
65 | 290 | 180 | 145 | 120 | 110 | 22 | 3 | 4 | 4-18 | 408 | 690 | 280 | DZW10 |
80 | 310 | 195 | 160 | 135 | 121 | 22 | 3 | 4 | 8-18 | 436 | 715 | 320 | DZW20 |
100 | 350 | 230 | 190 | 160 | 150 | 24 | 3 | 4.5 | 8-18 | 480 | 770 | 360 | DZW30 |
125 | 400 | 270 | 220 | 188 | 176 | 28 | 3 | 4.5 | 8-23 | 558 | 782 | 400 | DZW45 |
150 | 480 | 300 | 250 | 218 | 204 | 30 | 3 | 4.5 | 8-25 | 611 | 875 | 400 | DZW60 |
200 | 600 | 375 | 320 | 282 | 260 | 38 | 3 | 4.5 | 12-30 | 720 | 1160 | 400 | DZW90 |
| 公称通径 | 主要外形尺寸和连接尺寸 | |||||||||
| L | D | D1 | D2 | D6 | b | Z-d | H | H1 | D0 | |
| J41H/Y-64 J941H/Y-64 J41Y-64I J941Y-64I | ||||||||||
| 15 | 170 | 105 | 75 | 55 | 41 | 18 | 414 | 195 | 210 | 140 |
| 20 | 190 | 125 | 90 | 68 | 51 | 20 | 418 | 228 | 248 | 160 |
| 25 | 210 | 135 | 100 | 78 | 58 | 22 | 418 | 250 | 275 | 180 |
| 32 | 230 | 150 | 110 | 82 | 66 | 24 | 423 | 325 | 355 | 200 |
| 40 | 260 | 165 | 125 | 95 | 76 | 24 | 423 | 360 | 395 | 240 |
| 50 | 300 | 175 | 135 | 105 | 88 | 26 | 423 | 410 | 450 | 280 |
| 65 | 340 | 200 | 160 | 130 | 110 | 28 | 823 | 450 | 494 | 320 |
| 80 | 380 | 210 | 170 | 140 | 121 | 30 | 823 | 485 | 485 | 360 |
| 100 | 430 | 250 | 200 | 168 | 150 | 32 | 825 | 537 | 537 | 400 |
| 150 | 550 | 340 | 280 | 240 | 204 | 38 | 834 | 646 | 646 | 450 |
| 200 | 650 | 405 | 345 | 300 | -- | 44 | 1234 | 813 | 813 | 500 |
| J41H/Y-100 J941H/Y-100 J41Y-100I J941Y-100I | ||||||||||
| 15 | 170 | 105 | 75 | 55 | 40 | 20 | 414 | 195 | 210 | 100 |
| 20 | 190 | 125 | 90 | 68 | 51 | 22 | 418 | 228 | 248 | 120 |
| 25 | 210 | 135 | 100 | 78 | 58 | 24 | 418 | 250 | 275 | 160 |
| 32 | 230 | 150 | 110 | 82 | 66 | 24 | 423 | 326 | 348 | 200 |
| 40 | 260 | 165 | 125 | 95 | 76 | 26 | 423 | 359 | 388 | 240 |
| 50 | 300 | 195 | 145 | 112 | 88 | 28 | 425 | 414 | 448 | 280 |
| 65 | 340 | 220 | 170 | 138 | 110 | 32 | 825 | 434 | 477 | 320 |
| 80 | 380 | 230 | 180 | 148 | 121 | 34 | 825 | 547 | 598 | 400 |
| 100 | 430 | 265 | 210 | 172 | 150 | 38 | 830 | 621 | 685 | 450 |
| 125 | 500 | 310 | 250 | 210 | 176 | 42 | 834 | - | - | - |
| 150 | 550 | 350 | 290 | 250 | 204 | 46 | 1234 | 840 | - | - |
| 200 | 650 | 430 | 360 | 312 | 260 | 54 | 1241 | 925 | - | - |