工业控制阀系列

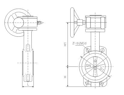
蜗轮对夹式软密封蝶阀
技术规范:
产品型号:D371X
公称通径:DN40~350mm
公称压力:PN0.6~1.6MPa
适用温度:≤120℃
适用介质:空气、水、污水、蒸气、煤气、油品等
主要材质:球墨铸铁、铸钢、合金钢、不锈钢
驱动方式:手动、蜗轮传动、气传动、电传动
设计标准:GB/T12238-1989、lS0 10631-1994或BS EN593-1998
法兰连接尺寸 GB/T17241.6-1998、IS0 7005-2或BSEN 1092-2002
结构长度:GB/T1 2221-1989、lS0 5752-1988或BS EN558-1
压力试验:GB/T13927-1992、JB/T9092-1999、lS0 5028-1993或BS 6755-1986

主要外形尺寸及重量(PN1.0/1.6MPa)
| DN(mm) | A | B | C | D1 | L | n-Φ | K | E | 4-Φ1 | Φ2 | G | 重量WT(kg) |
| 50 | 140 | 80 | 43 | 125 | 32 | 4-19 | 77 | 57.15 | 4-6.7 | 12.6 | 100 | 3.34 |
| 65 | 152 | 89 | 46 | 145 | 32 | 4-19 | 77 | 57.15 | 4-6.7 | 12.6 | 120 | 3.94 |
| 80 | 159 | 95 | 45.21 | 160 | 32 | 8-19 | 77 | 57.15 | 4-6.7 | 12.6 | 127 | 4.05 |
| 100 | 178 | 114 | 52.07 | 180 | 32 | 8-19 | 92 | 69.85 | 4-10.3 | 15.77 | 156 | 5.48 |
| 125 | 190 | 127 | 55.5 | 210 | 32 | 8-19 | 92 | 69.85 | 4-10.3 | 18.92 | 190 | 7.66 |
| 150 | 203 | 139 | 55.75 | 240 | 32 | 8-23 | 92 | 69.85 | 4-10.3 | 18.92 | 212 | 8.5 |
| 200 | 238 | 175 | 60.58 | 295 | 45 | 8-23 | 115 | 88.9 | 4-14.3 | 22.1 | 268 | 25 |
| 250 | 268 | 203 | 68 | 350 | 45 | 12-23 | 115 | 88.9 | 4-14.3 | 28.45 | 325 | 31.4 |
| 300 | 306 | 242 | 76.9 | 400 | 45 | 12-23 | 140 | 107.95 | 4-14.3 | 31.6 | 403 | 45.9 |
| 350 | 368 | 267 | 76.17 | 460 | 45 | 16-23 | 140 | 107.95 | 4-14.3 | 31.6 | 436 | 54 |
上一个:软密封法兰蝶阀
下一个:没有了!