
安全泄压/持压阀
技术规范:
产品型号:AX742X
公称通径:DN40~1600mm
公称压力:PN1.0~2.5MPa
适用介质:水、油品、海水、污水
适用温度:0~80℃
法兰标准:GB/T17241.6、GB/T9113
试验标准:GB/T13927、API598

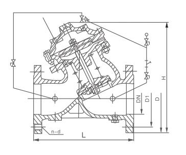
连接尺寸
DN | L | H | D(mm) | D1(mm) | b(mm) | D2(mm) | n-Φd | ||||||||||
mm | mm | PN1.0 | PN1.6 | PN2.5 | PN1.0 | PN1.6 | PN2.5 | PN1.0 | PN1.6 | PN2.5 | PN1.0 | PN1.6 | PN2.5 | PN1.0 | PN1.6 | PN2.5 | |
40 | 240 | 270 | 150 | 150 | 150 | 110 | 110 | 110 | 18 | 18 | 18 | 88 | 88 | 84 | 4-17.5 | 4-17.5 | 4-18 |
50 | 240 | 270 | 165 | 165 | 165 | 125 | 125 | 125 | 20 | 20 | 20 | 102 | 102 | 99 | 4-17.5 | 4-17.5 | 4-18 |
65 | 270 | 340 | 185 | 185 | 185 | 145 | 145 | 145 | 20 | 20 | 22 | 122 | 122 | 118 | 4-17.5 | 4-17.5 | 8-18 |
80 | 300 | 400 | 200 | 200 | 200 | 160 | 160 | 160 | 22 | 22 | 24 | 133 | 133 | 132 | 8-17.5 | 8-17.5 | 8-18 |
100 | 350 | 440 | 220 | 220 | 235 | 180 | 180 | 190 | 24 | 24 | 24 | 158 | 158 | 156 | 8-17.5 | 8-17.5 | 8-22 |
125 | 400 | 460 | 250 | 250 | 270 | 210 | 210 | 220 | 26 | 26 | 26 | 184 | 184 | 184 | 8-17.5 | 8-17.5 | 8-26 |
150 | 480 | 500 | 285 | 285 | 300 | 240 | 240 | 250 | 26 | 26 | 28 | 212 | 212 | 211 | 8-22 | 8-22 | 8-26 |
200 | 500 | 640 | 340 | 340 | 360 | 295 | 295 | 310 | 28 | 30 | 30 | 268 | 268 | 274 | 8-22 | 12-22 | 12-26 |
250 | 605 | 690 | 395 | 405 | 425 | 350 | 355 | 370 | 28 | 32 | 32 | 320 | 320 | 330 | 12-22 | 12-26 | 12-30 |
300 | 700 | 820 | 445 | 460 | 485 | 400 | 410 | 430 | 28 | 32 | 34 | 370 | 370 | 389 | 12-22 | 12-26 | 16-30 |
350 | 800 | 950 | 505 | 520 | 555 | 460 | 470 | 490 | 30 | 36 | 38 | 430 | 430 | 448 | 16-22 | 16-26 | 16-33 |
400 | 900 | 1400 | 565 | 580 | 620 | 515 | 525 | 550 | 32 | 38 | 40 | 482 | 482 | 503 | 16-26 | 16-30 | 16-36 |
450 | 1000 | 1580 | 615 | 640 | 670 | 565 | 585 | 600 | 32 | 40 | 42 | 532 | 550 | 548 | 20-26 | 20-30 | 20-36 |
500 | 1100 | 1600 | 670 | 715 | 730 | 620 | 650 | 660 | 34 | 42 | 44 | 585 | 585 | 609 | 20-26 | 20-33 | 20-36 |
600 | 1300 | 1815 | 780 | 840 | 845 | 725 | 770 | 770 | 36 | 48 | 46 | 685 | 685 | 720 | 20-30 | 20-36 | 20-39 |
700 | 1400 | 2040 | 895 | 910 | 960 | 840 | 840 | 845 | 40 | 54 | 50 | 800 | 800 | 820 | 24-30 | 24-36 | 24-42 |
800 | 1500 | 2350 | 1015 | 1025 | 1085 | 950 | 950 | 990 | 44 | 58 | 54 | 905 | 905 | 925 | 24-33 | 24-39 | 24-48 |
900 | 1700 | 2606 | 1115 | 1125 | 1185 | 1050 | 1050 | 1090 | 46 | 62 | 58 | 1005 | 1005 | 1028 | 28-33 | 28-39 | 28-48 |
1000 | 1900 | 2765 | 1230 | 1255 | 1320 | 1160 | 1170 | 1210 | 50 | 66 | 62 | 1110 | 1110 | 1140 | 28-36 | 28-42 | 28-56 |
1200 | 2050 | 2950 | 1455 | 1485 | 1530 | 1380 | 1390 | 1420 | 56 | 52 | 70 | 1330 | 1328 | 1350 | 32-39 | 32-48 | 32-55 |
1400 | 2200 | 3180 | 1675 | 1685 | 1755 | 1590 | 1590 | 1640 | 62 | 58 | 76 | 1530 | 1530 | 1560 | 36-42 | 36-48 | 36-60 |
1600 | 2400 | 3400 | 1915 | 1930 | 1955 | 1820 | 1820 | 1860 | 68 | 64 | 84 | 1750 | 1750 | 1780 | 40-48 | 40-55 | 40-60 |
上一个:900X型紧急关闭阀
下一个:遥控浮球阀