工业控制阀系列

国标旋启式止回阀
技术规范:
产品型号:H44H/W
公称通径:DN50~800 mm
压力范围:PN1.6~16.0MPa
工作温度:-196℃~+550℃
主体材质:碳钢、不锈钢、合金钢
适用介质:水、蒸汽、油品、硝酸类、醋酸类
设计制造:GB12236
结构长度:GB12221
连接法兰:JB/T79-1994
试验与检验:JB/T9092-1999

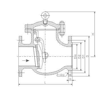
主要外形连接尺寸及重量
|
压力 | 公称通径(DN) | 主要连接尺寸 (mm) | 外形尺寸 |
重量 (kg) | ||||||
| mm | L | D | D1 | D2 | b | f | z-φd | H | ||
|
2.0Mpa | 50 | 203 | 152 | 120.5 | 92 | 16 | 1.6 | 4-19 | 165 | 17 |
| 65 | 216 | 178 | 139.5 | 105 | 17.5 | 1.6 | 4-19 | 175 | 25 | |
| 80 | 241 | 190 | 152.5 | 127 | 19.5 | 1.6 | 4-19 | 190 | 29 | |
| 100 | 292 | 229 | 190.5 | 157 | 24 | 1.6 | 8-19 | 215 | 50 | |
| 125 | 330 | 254 | 216 | 186 | 24 | 1.6 | 8-22 | 245 | 75 | |
| 150 | 356 | 279 | 241.5 | 216 | 25.5 | 1.6 | 8-22 | 265 | 85 | |
| 200 | 495 | 343 | 298.5 | 270 | 29 | 1.6 | 8-22 | 320 | 150 | |
| 250 | 622 | 406 | 362 | 324 | 30.5 | 1.6 | 12-25 | 365 | 240 | |
| 300 | 698 | 483 | 432 | 381 | 32 | 1.6 | 12-25 | 415 | 350 | |
| 350 | 787 | 533 | 476 | 413 | 35 | 1.6 | 12-29 | 460 | 460 | |
| 400 | 864 | 597 | 540 | 470 | 37 | 1.6 | 16-29 | 495 | 580 | |
| 500 | 978 | 698 | 635 | 584 | 43 | 1.6 | 20-32 | 590 | 840 | |
| 600 | 1295 | 813 | 749.5 | 692 | 48 | 1.6 | 20-35 | 650 | 1140 | |
| 700 | 1448 | 927 | 863.5 | 800 | 71.5 | 1.6 | 28-35 | |||
|
5.0MPa | 50 | 267 | 165 | 127 | 92 | 22.5 | 1.6 | 8-19 | 190 | 28 |
| 65 | 292 | 190 | 149 | 105 | 25.5 | 1.6 | 8-22 | 205 | 33 | |
| 80 | 318 | 210 | 168 | 127 | 28 5 | 1.6 | 8-22 | 220 | 45 | |
| 100 | 356 | 254 | 200 | 157 | 32 | 1.6 | 8-22 | 245 | 70 | |
| 125 | 400 | 279 | 235 | 186 | 35 | 1.6 | 8-22 | 275 | 110 | |
| 150 | 444 | 318 | 270 | 216 | 36.5 | 1.6 | 12-22 | 295 | 150 | |
| 200 | 533 | 381 | 330 | 270 | 41.5 | 1.6 | 12.25 | 330 | 230 | |
| 250 | 622 | 444 | 387.5 | 324 | 48 | 1.6 | 16-29 | 420 | 390 | |
| 300 | 711 | 521 | 451 | 381 | 51 | 1.6 | 16-32 | 480 | 520 | |
| 350 | 838 | 584 | 514.5 | 413 | 54 | 1.6 | 20-32 | 535 | 710 | |
| 400 | 864 | 648 | 571.5 | 470 | 57.5 | 1.6 | 20-35 | 585 | 890 | |
| 500 | 1016 | 775 | 686 | 584.5 | 63.5 | 1.6 | 24-35 | 685 | 1360 | |
| 600 | 1364 | 914.5 | 813 | 692.5 | 70 | 1.6 | 24-41 | 785 | 2040 | |
| 10.0MPa | 50 | 292 | 165 | 127 | 92 | 26 | 6.4 | 8-19 | 210 | 32 |
| 65 | 330 | 190 | 149 | 100 | 29 | 6.4 | 8-22 | 230 | 42 | |
| 80 | 356 | 210 | 168 | 127 | 32 | 6.4 | 8-22 | 255 | 60 | |
| 100 | 432 | 273 | 216 | 157 | 38 | 6.4 | 8-25 | 295 | 95 | |
| 125 | 508 | 330 | 266.5 | 186 | 45 | 6.4 | 8-29 | 310 | 120 | |
| 150 | 559 | 355.5 | 292 | 216 | 47.5 | 6.4 | 12-29 | 365 | 220 | |
| 200 | 660 | 419.5 | 349 | 270 | 56 | 6.4 | 12-32 | 420 | 390 | |
| 250 | 787 | 508 | 432 | 324 | 63.5 | 6.4 | 16-35 | 505 | 630 | |
| 300 | 838 | 559 | 489 | 381 | 66.5 | 6.4 | 20-35 | 545 | 870 | |
| 350 | 889 | 603.5 | 527 | 413 | 710 | 6.4 | 20-38 | 600 | 940 | |
| 400 | 991 | 686 | 603 | 470 | 76.5 | 6.4 | 20-41 | 650 | 1100 | |