法兰连接阀门系列

722 自力式(流量)压差控制阀
技术规范:
产品型号:ZYC-16
公称压力:1.6MPa
公称通径:15~125mm
适用介质:水、油等非腐蚀性液体
适用温度:0~100℃
压差控制范围:定压差型 10KPa、20KPa、30KPa
法兰标准:GB/T 17241.6 GB/T9113
:GB/T 13927 API 598

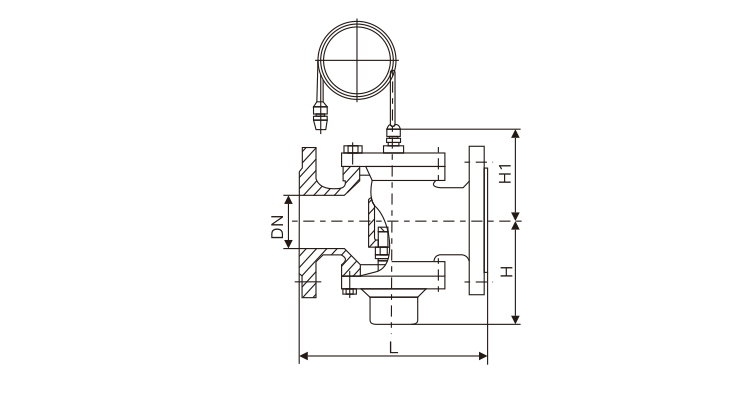
主要外形连接尺寸
| DN | 15 | 20 | 25 | 32 | 40 | 50 | 65 | 80 | 100 | 125 | |
| 连接方式 | 螺纹 | 法兰 | |||||||||
| L | 110 | 110 | 115 | 130 | 200 | 215 | 230 | 275 | 290 | 310 | |
| H(mm) | 定压差型 | 95 | 110 | 130 | 140 | 190 | 205 | 240 | 300 | 350 | 380 |
| 流量m3/h | 0.2-1 | 0.3-1.5 | 0.5-2 | 1-4 | 1.5-6 | 2-8 | 3-12 | 5-20 | 10-30 | 15-45 | |
上一个:H44W-16T黄铜法兰止回阀
下一个:700法兰动态平衡量电动调节阀